Being an effective leader means having the difficult conversations and doing the difficult things, not just saying what voters want to hear. Ferndale, I know that many community members have questions about the civic campus project. I hear those community members who say “we should just spend this on roads” and I get it! But, I believe this project represents a very unique opportunity for our growing community.
The need for additional space for City operations is not something new! Each of the last four mayors have wrestled with space issues in the city; each with varying degrees of success. The administration prior to mine (my opponent’s administration), presented more than five different proposals for a new City Hall and/or Municipal Court. Those proposals are highlighted below – including adding onto the current police station, the purchase and renovation of the Ferndale High School Old Main building, and YES! adding on to the current City Hall. Each of which had a fatal flaw that prevented the projects from moving forward.
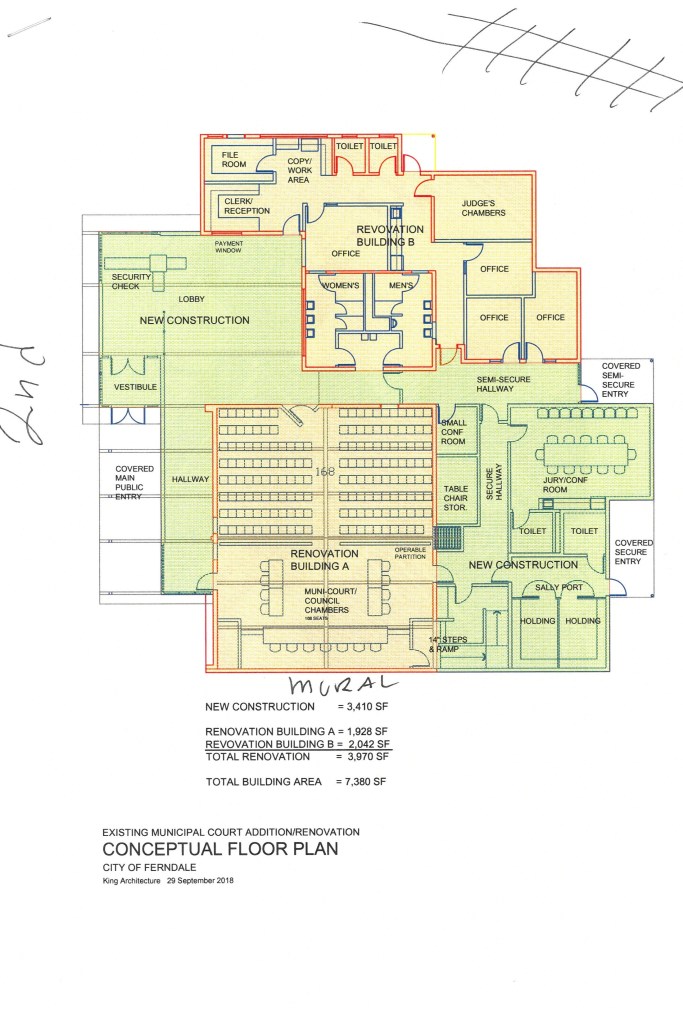
The City’s Municipal Court is one of the least safe facilities in the state, just ask the Washington State Supreme Court, AND our City Hall is bursting at the seams. The City of Ferndale’s space requirements have reached a tipping point and is beginning to impact our ability to provide the services the community expects. For example, City Public Works staff is maxed-out! Our public works project supervisor is completing $20 million in road projects as we speak. Additionally, she is prepping another $25 million worth of projects for the coming years. Not only is she maxed-out, we are having to slow up on some projects because we simply do not have the city staff to be able to manage the projects and we do not have the room at any City building to add that necessary staff! The problem is now!
I believe that this project is a critical piece of infrastructure necessary for our city to meet both our current needs AND the future needs of our City.
Over the last four years, we’ve studied all of the past proposals (again noted below), AND we have asked the City Council to weigh in each step along the way. Council passed a resolution of support in 2022 to go after state and federal grants, AND approved contracts for both Phase 1 and Phase 2 of design for this project. AND we will continue to work with Council every step along the way.
We worked with our legislative partners to find funding opportunities and have found success with the Civic Campus concept: building a new City Hall and Municipal court facility – while leaving behind our current building to be used by community service organizations and non profits – Ferndale Community Services, domestic violence advocates, Ferndale Downtown Association, the Chamber, and others. That has been the key to State and Federal funding.
Our state legislators Have supported this project with $4.5 million dollars. We’ve received $750,000 in Federal grants so far and there is $1 million in the 2024 Federal budget earmarked for Ferndale’s Civic Campus AND we continue to work with our federal delegation. We’re pursuing other funding opportunities as well. Even more, huge infrastructure projects, and changing work and shopping habits during COVID have generated higher revenues for the city – which we’ve saved. AND, the City has received higher than expected investment income. When a decision is made to build this building – less than ⅓ of the cost should need to be financed with a bond – which the city’s current finances can easily support. And, we can do this and continue to complete the road and public works project we have lined up.
And this is where we are with this project!
We continue to work with our designers to refine the floor plan, and we will begin to make decisions about construction type and materials – Asking for input along the way. It has always been our intent that this will be an austere and cost effective project; one that reflects Ferndale’s working-class character.
But, the details of City Hall should be decided by the future needs of our community, not constrained by the small politics of today. Ferndale has a once-in-a-generation opportunity to build a city facility that will serve this community for the next 50 and if we do it right 100 years. Projects like this are never easy, but ARE necessary to keep our City moving forward.
In my view, an incredibly wise investment of $15 million. I know this project is not popular, but I also know that it’s necessary… and I would argue my opponent knows this as well. Being an effective leader means having the difficult conversations, and doing the difficult things, not scaring voters and just telling them what they want to hear.








Links to Staff Reports and associated files ALL from during the previous administration!
